A.C.S. 2
Par admin joseph-gallieni, publié le mercredi 8 octobre 2025 16:53 - Mis à jour le mercredi 18 février 2026 14:07
4-5 Septembre 2025 : TP Modélisation cinématique - fonctionnement
Sujets de BTS MV - Épreuve E4 - ASCP : Epreuve écrite, durée 6 heures, coefficient 5
Schématisation hydraulique pour les nuls :
Formulaires -non exhaustifs - pour révision :
- Formulaire 1
- Formulaire 2
- Formulaire 3
- Formulaire 4 (thermo - en attente de validation par M. Abgrall)
- Formulaire 5 (MCI - Puissance, énergie et consommation)
Pièces jointes
À télécharger
- 24ML4ASCP-C_CORRIGE
- 24ML4ASCP_SUJET
- Correction E4 session 2023
- E4_ASCP_2023
- BTS-MV-2019-éléments de corrigé
- E4_Sujet ASCP_2019
- 3_QCM Liaisons_élève_2025
- DT-Correcteur_phare
- EVAL-Correcteur_phare
- [Mod][TD]Modelisation_des_mecanismes
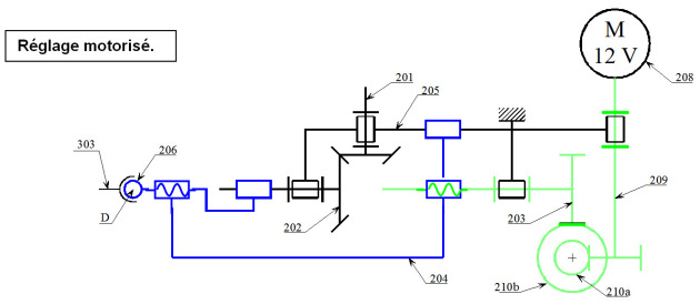
- 10Reglage_motorise_1
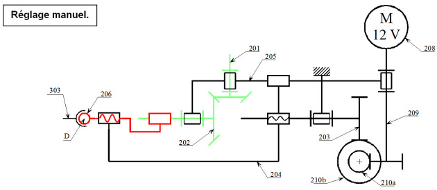
- 11Reglage_manuel_1
- CorrectRéglOpérQualif
- ReglageUtil
- TD Corecteur de phare 2025
- TD SCM_CEC_2025
- 15981-e4-bts-mv-2022-dossier-corrige-copie
- 5_TP Eval SCM suite BTS2_2024
- 4_Vérin SNT_Ressources 2014
- Formulaire ACS_1
- Formulaire ACS_2
- Formulaire ACS_4_Thermo
- Formulaire ACS_3
- AFSM_BTS MV 2020_Corrigé
- E4-bts-mv-2021_2
- DS7_2022-Complet
- tableau liaison 2021_prof
- TP-TWINGO-AnalyseMecanique_v2
- DR-Twingo
- TP-Compresseur_Clim-AnalyseMecanique
- 7401-g211-dossier-questions
- 7401-g211-dossier-reponses
- 7401-g211-dossier-ressources
- 7401-g211-elts-corrige
- Micromoteur Suite
- Micromoteur Travail
- 8899-8899-sujet-0-bts-mv-2017-dossier-reponses
- 8899-8899-sujet-0-bts-mv-2017-dossier-sujet
- 8899-8899-sujet-0-bts-mv-2017-corrige
- 8899-8899-sujet-0-bts-mv-2017-dossier-technique
- Formulaire MCI
- TP_BVA_AL4_correction-EA
- Micromoteur Corrigé
- Micromoteur Suite-Corrige
- schematique_hydraulique_
- Evaluation _BTS2_vérouillage_2022
- 1-DossierTechnique